充电器原理(电动车充电器原理)

无线充电器是指不用传统的充电电源线连接到需要充电的终端设备上的充电器,采用了Zui新的无线充电技术,通过使用线圈之间产生的磁场,神奇的传输电能,电感耦合技术将会成为连接充电基站和设备的桥梁。

当前的大部分充电器,例如iPad 和iPhone ,都通过金属电线直接接触的方式,给设备内置电池充电。无线充电技术的优势在于便捷性和通用性。缺点就是效率低和只能提供电能。而Apple 的Dock 连接器不仅仅提供电能,同时还能把音频和视频文件通过USB 接口同步到设备上。


不过,无线充电技术还是会给 WiFi 和电池技术带来进步的。对于不需要数据传输的设备来说,这一新技术将会大大减少用户所需各种充电器的数量。另外,通过采用无线充电技术,公共移动设备充电站将会有可能成为现实。

电路原理

无线充电器原理与结构

图1 无线充电器原理与结构

无线充电系统主要采用电磁感应原理,通过线圈进行能量耦合实现能量的传递。如图1所示,系统工作时输入端将交流市电经全桥整流电路变换成直流电,或用24V直流电端直接为系统供电。经过H电源管理H模块后输出的直流电通过2M有源晶振逆变转换成高频交流电供给初级绕组。通过2个H电感H线圈耦合能量,次级线圈输出的电流经接受转换电路变化成直流电为电池充电。

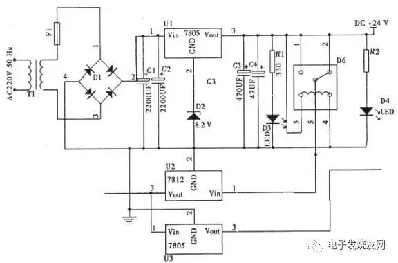
充电器原理电源管理模块


图2 供电电源电路

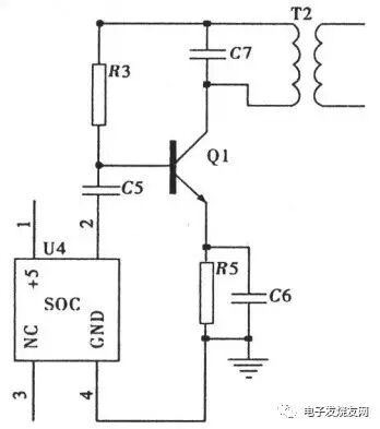
发射电路模块

图3 发射电路模块

如图3,主振电路采用2MHz有源晶振作为振荡器。有源晶振输出的方波,经过二阶低通滤波器滤除高次谐波,得到稳定的正弦波输出,经三极管13003及其外围电路组成的丙类放大电路后输出至线圈与电容组成的并联谐振回路辐射出去.为接收部分提供能量。

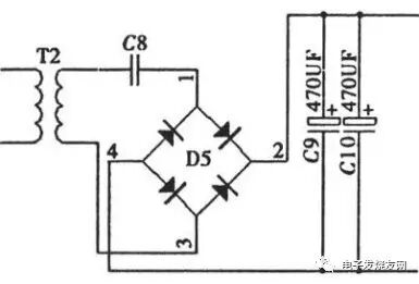
接收电路模块与充电电路

图4 接收电路

测得与电容组成的并联谐振回路的空芯耦合线圈的线径为O.5mm,直径为7cm,电感为47uH,载波频率为2MHz。根据并联谐振公式得匹配电容C约为140pF。因而.发射部分采用2MHz有源晶振产生与谐振频率接近的能源载波频率。


图5 充电电路

编者结语

无线充电器基本功能是通过线圈将H电能H以H无线H方式传输给电池。只需把电池和接收设备放在充电平台上即可对其进行充电。实验证明.虽然该系统还不能充电于无形之中.但已能做到将多个校电器放置于同一充电平台上同时充电,免去接线的烦恼。


关于质检报告等问题,可以咨询陈工

转载请说明出处 内容投诉内容投诉
九幽软件 » 充电器原理(电动车充电器原理)