节能灯损坏后,因为难以在市场上找到配件,并且价格不高,一般都是丢弃处理。其实节能灯是由灯管和电子镇流器组成,而大部分废节能灯只是灯管的灯丝烧断, 电子镇流器是好的,只要稍作改动,就可以改制成电子变压器,经整流滤波后可成为低压直流电源,其输出功率可达几瓦到十几瓦,可作为LED灯、充电器、随身听、MP3播放器、小收音机等的直流电源。
用来改制的时候,如何判别节能灯是灯管损坏而电子镇流器完好呢。从外观上看,灯管烧坏的节能灯在灯管根部都有烧黑的现象,撬开灯座看电子镇流器电路板,电 解电容没有鼓起或漏液、聚酯电容没有变色、电阻没有烧坏变黑的地方,三极管也没有烧坏变色崩坏现象一般可以判断电子镇流器是好的。然后节能灯电路图用万用表测量灯管,4根引线应该是两两导通的,如果有一组不通则是灯丝烧断。根据以上判断就可以基本上选出好的电子镇流器。然后就可以根据电子镇流器的电路形式来改装 了:
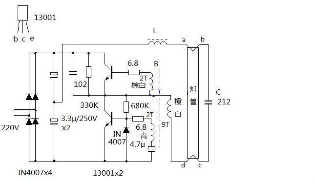
1、单电解电容滤波式的电路:
电路如下图,这种电路从220V镇流出来,只有一个电解电容滤波。后面的自激电路也大同小异,变化的地方只是三极管外围元件多与少,基极连接的电阻和电解电容位置不同,线圈L和电容C的位置不同而已。但电路基本上没有太大变动。
判断要点:整流出来只有一个400V的滤波电解,高频变压器B次级出来通过灯管灯丝和整流出来的+极之间串有2个高耐压的电容C和C1(C1的接法位置不会变,但C可以接到电源+极也可以接到线圈L的后面),即C和C1是串联的。图:
这种类型的电路改装只要把灯管拆掉,在电路板处把灯管引线的a,d点连接起来,电容C1拆掉不要。把线圈L改绕成变压器即可,注意一点就是线圈L采用的磁芯需要是E字型的,采用一字型磁芯的线圈是不可用于改制的。
改绕方法:拆下线圈L,把磁芯和线圈分解开。用透明胶带在原线圈外缠绕一圈,然后用比原线圈大一些的漆包线来绕制次级,一般可用每匝(即绕一圈)约0.6V 来计算。通用电子变压器输出直流电压是12V,因此改装是按12V来计算,以便以后可以用在其它地方,那就是12V/0.6V=20匝。如果需要用在不同 地方,只要根据输出电压/0.6V=绕制匝数来计算即可。
绕制的时候,最好是根据计算出来的匝数再绕多几匝,然后根据带负载后的电压来拆除降低电压。以免绕制后匝数不够造成电压不足。绕制好安装磁芯的时候,在两 个E型磁芯的接缝处要留0.05~0.1mm的空气间隙,不能完全密贴。简单的方法就是在两个E型磁芯的中间贴一层透明胶带。因为电子变压器是高频电路, 只需采用半波整流足以,而使用半波整流的时候线圈中有一定的直流电流,为了不让磁芯饱和必须留有间隙。
图:加绕次级线圈后的线圈L,利用原电路板添加了整流二极管
改制后的电原理图:本改制是做为LED灯使用,因此整流滤波后连接了LED灯组。
注意:改制后的电子变压器使用的整流二极管必须是肖基特二极管或快恢复二极管,不能用普通的二极管(比如IN400x系列)。因为是高频电路,普通的二极管不能工作在高频,如果使用普通整流二极管,就算用上10A的,也会发热厉害烧毁。
在整流后,必须在滤波电解电容并联上一个0.01~0.1μ的聚酯或者涤纶电容,以滤去高频电流。否则电解电容易击穿。
图:制作的红光LED灯组
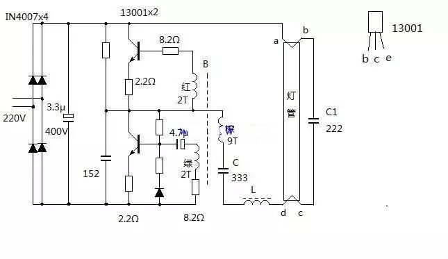
2、双电解电容串联式电路
电路如下图:
判断要点:这种电路从220V整流出来,有两个电解电容串联滤波,而电容的中心点连接到灯管电路。后面的自激电路也大同小异。高频变压器B次级出来通过灯管灯丝只串有一个高耐压的电容C。
这种类型的电路改制时只需要把灯管拆掉,在电子镇流器电路板把灯管引线的a,b两点连接起来,c,d两点连接起来。然后把电容C换成0.047μ(电容标 注473)容量的。再改绕线圈L为变压器即可。注意事项和改绕方法和上面一样。改装后的电路如下图,此图也是连接了LED灯组:
目前改装过的10W以下的节能灯电路和上面的两种形式大同小异,改装方法同上面的一样。只要原电子镇流器完好,改装后基本没问题。
畅学电子网向你推荐微信公众号:畅学EDA
简介:以EDA为核心,带你全面了解和EDA相关的知识技巧,经验心得。关注我们,一起来学习吧!
关注方式:扫描下方二维码或者搜索微信号:changxueeda





