数控车床编程(数控车床编程教学)

(1) 可以采用绝对值编程(用X、Z表示)、增量值编程(用U、W表示)或者二者混合编程。

(2) 直径方向(X方向) 系统默认为直径编程,也可以采用半径编程,但必须更改系统设定。

(3) X向的脉冲当量应取Z向的一半。

(4)采用固定循环,简化编程。

(5) 编程时,常认为车刀刀尖是一个点,而实际上为圆弧,因此,当编制加工程序时,需要考虑对刀具进行半径补偿。

加工坐标系应与机床坐标系的坐标方向一致,X轴对应径向,Z轴对应轴向,C轴(主轴)的运动方向则以从机床尾架向主轴看,逆时针为+C向,顺时针为-C向,如图2.1.1所示:

加工坐标系的原点选在便于测量或对刀的基准位置,一般在工件的右端面或左端面上。

图2.1.1数控车床坐标系

数控车床编程

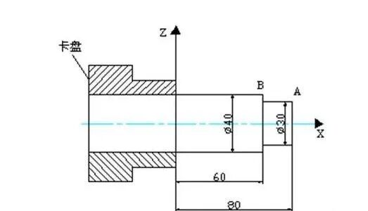
在车削加工的数控程序中,X轴的坐标值取为零件图样上的直径值,如图2.1.2所示:图中A点的坐标值为(30,80),B点的坐标值为(40,60)。采用直径尺寸编程与零件图样中的尺寸标注一致,这样可避免尺寸换算过程中可能造成的错误,给编程带来很大方便。

图2.1.2 直径编程

对于车削加工,进刀时采用快速走刀接近工件切削起点附近的某个点,再改用切削进给,以减少空走刀的时间,提高加工效率。切削起点的确定与工件毛坯余量大小有关,应以刀具快速走到该点时刀尖不与工件发生碰撞为原则。如图2.1.3所示。

图2 .1.3切削起始点的确定

X、Z表示绝对编程,U、W表示增量编程,允许同一程序段中二者混合使用。

图2 .1.4 绝对值编程与增量编程

如图2.1.4所示,直线A→B ,可用:

绝对: G01 X100.0 Z50.0;

相对: G01 U60.0 W-100.0;

混用: G01 X100.0 W-100.0;

或 G01 U60.0 Z50.0;

数控车削加工包括内外圆柱面的车削加工、端面车削加工、钻孔加工、螺纹加工,复杂外形轮廓回转面的车削加工等,在分析了数控车床工艺装备和数控车床编程特点的基础上,下面将结合配置FANUC-0i数控系统的数控车床重点讨论数控车床基本编程方法。

编程格式G50 X~ Z~

式中X、Z的值是起刀点相对于加工原点的位置。G50使用方法与G92类似。

在数控车床编程时,所有X坐标值均使用直径值,如图2.1.5所示。

G50 X 121.8 Z 33.9

图2.1.5 G50设定加工坐标系

工件坐标系的选择指令G54~G59

数控车床编程

图2.1.6 G54设定加工坐标系

首先设置G54原点偏置寄存器:

G54 X0 Z85.0;

然后再在程序中调用:

N010 G54;

说明:

1、G54~G59是系统预置的六个坐标系,可根据需要选用。

2、G54~G59建立的工件坐标原点是相对于机床原点而言的,在程序运行前已设定好,在程序运行中是无法重置的。

3、G54~G59预置建立的工件坐标原点在机床坐标系中的坐标值可用 MDI 方式输入,系统自动记忆。

4、使用该组指令前,必须先回参考点。

5、G54~G59为模态指令,可相互注销。


1.快速点位移动G00

格式:G00X(U)_Z(W)_;

其中,X(U)_、Z(W)_为目标点坐标值。

2.直线插补G01

格式:G01 X(U)_Z(W)_ F_;

其中,X(U)、Z(W)为目标点坐标,F为进给速度。

机床执行G01指令时,如果之前的程序段中无F指令,在该程序段中必须含有F指令。G01和F都是模态指令。

3.圆弧插补G02、G03

顺时针圆弧插补用G02指令,逆时针圆弧插补用G03指令。

1) 用圆弧半径R和终点坐标进行圆弧插补

格式:G18 G02(G03)X(U)_Z(W)_ R _ F_;

其中:X(U)和Z(W)为圆弧的终点坐标值,

绝对值编程方式下用X和Z,增量值编程方式下用U和W。规定圆弧对应的圆心角小于等于180°时,用“+R”表示;反之,用“-R”表示。

F为加工圆弧时的进给量。

2) 用分矢量和终点坐标进行圆弧插补

格式:G18 G02(G03)X(U)_Z(W)_I _K _F_;

其中:

X(U)和Z(W)为圆弧的终点坐标值,绝对值编程方式下用X和Z,增量值编程方式下用U和W。

I、K分别为圆弧的方向矢量在X轴和Z轴上的投影(I为半径值)。当分矢量的方向与坐标轴的方向不一致时取负号。如图2.1.7所示,图中所示I和K均为负值。

图2.1.7 圆弧指令编程

格式:G04 X(P)_;

其中,X(P)为暂停时间。

X后用小数表示,单位为秒;

P后用整数表示,单位为毫秒。

如 :

G04 X2.0表示暂停2秒;

G04 P1000表示暂停1000毫秒。

G28指令可以使刀具从任何位置以快速点定位方式经过中间点返回参考点。

格式:G28 X _Z _;

其中,X、Z是中间点的坐标值。


三玖教育

三玖教育-专业权威在线职业教育品牌,在线学员突破26万,2021年实现线上、线下双重模式教学,2022年获得“腾讯教育突破奖”,清华大学出版社战略合作品质课程,着力于培养行业高薪编程工程师,我们坚信核心技术是推动行业快速发展的重要方向 ,改变学员人生重要途径,所有任职老师均累积行业多年经验,全职辅导亲授课程。
      目前涵盖:
UG画图建模班、UG加工参数班、产品及模具编程实战班、UG四五轴编程班、Powermill编程实战班、军工产品编程及大型汽车模具类的编程,Mastercam三四五轴编程,hyperMILL编程,数控车编程,车铣复合编程、覆盖CNC加工中心所有热门编程技术,培养从基础到实战,从简单到复杂,通俗易懂,循序渐进的教学方式。



品牌教育优势

(点击下方蓝字)

三玖教育世界500强企业名师团


2022年三玖教育VIP学员祝福视频


全国唯一荣获数控编程类目腾讯“教育突破奖”


三玖教育联合清华大学出版社战略合作品质课程



热门课程
??????


10年在线教学经验   不耽误工作 从0基础  90天学会UG数控编程

在线直播  录播教程 课后作业 老师辅导   每天晚上都有直播公开课  

点击下方蓝字领取课程!

UG数控编程课程免费

添加老师微信领取: UG5700

1.UG基础画图建模视频

2.UG零基础资料

3.UG练习图纸2D草绘 3D建模

4.领取每天晚上直播试听课

5.UG软件  下载  安装

6.编程视频



关注我们,每天分享不一样的知识干货

转载请说明出处 内容投诉内容投诉
九幽软件 » 数控车床编程(数控车床编程教学)